百平米百变舒居横空问市——新规下的空间革命

在房住不炒与居住升级的双重需求下,户型设计正经历从“粗放扩张”到“精细迭代”的转型。


中铁·岭南府三期建面约108㎡央瑞户型,以3+1室两厅两卫的创新格局,深度融合ZUI新住宅设计规范要求,在同等面积段中实现了功能性、舒适度与成长性的三重突破,树立了百平级户型的新标杆。


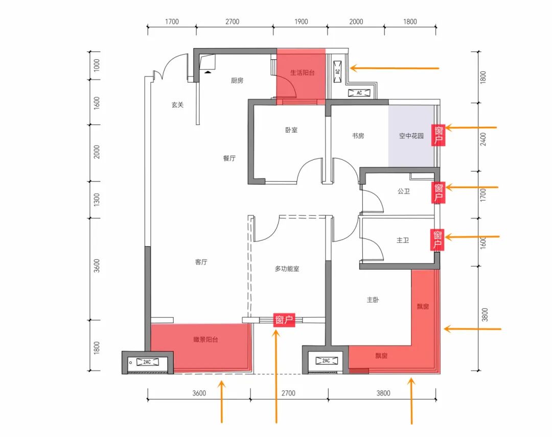
图片

·建面约108㎡户型图



图片

ZUI新《住宅项目规范》明确提出“提升空间利用效率,满足多元化居住需求”,中铁·岭南府三期建面约108㎡户型对此做出了教科书级响应。


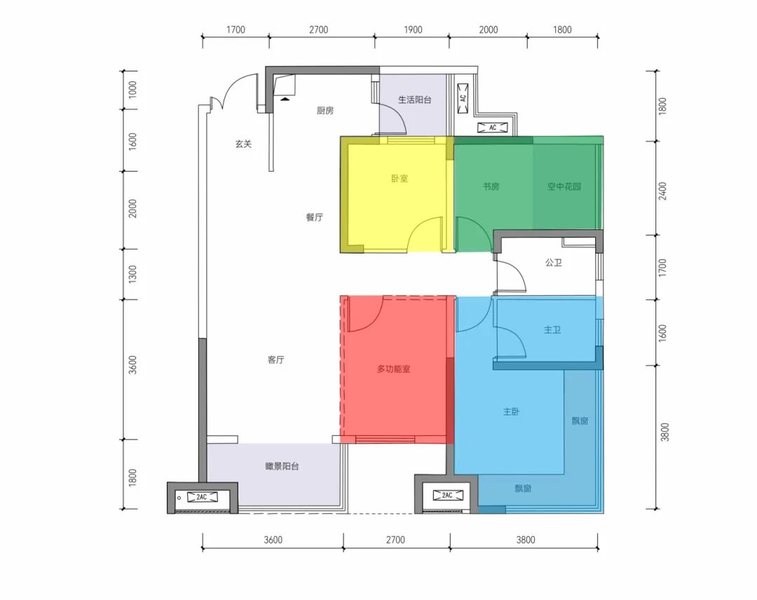
图片

·3+1室户型解析图


当前建面约100-110㎡户型多为三房一卫或紧凑三房两卫,部分项目为追求房间数量压缩卧室面积,或牺牲公共空间,导致能住但不舒适!


三期建面约108㎡户型敢于破局。3+1室灵活布局,约100%空间使用率,实现三房与四房的自由切换——空中花园可以连接书房、改造成次卧,多功能室可作为储物间、瑜伽室或临时客房,满足二人世 界、三口之家到三代同堂的全生命周期需求。


主卧

·图源网络,侵删



图片

新规强调“优化住宅采光、通风,提升居住健康性”,央瑞建面约108㎡户型以“LDKB一体化、全明格局”,打破传统户型“公私分区割裂”“暗厨暗卫”的弊端。


【新提醒】现代风格客餐厅-室内设计-拓者设计吧

·图源网络,侵删


央瑞建面约108㎡户型进行了全面升级。LDKB一体化设计,客厅、餐厅、厨房、约3.6米景观阳台贯通相连,形成近40㎡的家庭互动区。


图片

LDKB一体厅户型解析图


所有房间均带窗,主卧、客厅朝南,确保每日至少3小时阳光直射;双卫均为明卫(主卫、公卫均带窗户)。南向景观阳台连接客厅,可打造绿植角或休闲区;生活阳台独立设置,避免晾晒衣物影响美观;主卧套房带270°飘窗兼具实用与观景功能。


图片

·全明格局户型解析图



图片

新规特别关注“适老化、适幼化设计”,三期央瑞建面约108㎡户型在细节处融入对居住者真实需求的洞察,对比市面同面积户型的标准化配置,更显温度。


场景_upscayl_3x_realesrgan-x4plus

·图源网络,侵删


市面上,部分户型存在动线交叉、收纳空间不足、厨卫空间局促等问题。

央瑞建面约108㎡户型注重人文关怀。入户设独立玄关,避免“开门见山”;主卧位于户型最内侧,与客厅、餐厅保持距离,确保私密性;公卫靠近书房和空中花园,主卧带独立卫浴,实现三代同堂的洗漱分流。


微信图片_20220422101024

·图源网络,侵删



图片

中铁·岭南府三期建面约108㎡央瑞户型,以对新规的前瞻解读和对人居需求的深度洞察,跳出了“面积换房间”的传统逻辑,通过空间重构、功能复合、细节优化,让建面约108㎡户型不再是过渡性住房,而是能够承载舒适与成长的长期居所。



LINGNAN MANSION



中铁·岭南府三期

建面约108-148㎡精英府 邸

建面约169-245㎡掌舵者领地

诚意登记中~




image.png
image.png
image.png
图片

◎三期效果图


特别声明:本文来自郴房头条号自媒体“头条号”作者上传并发布,仅代表该作者观点。郴房网仅提供信息发布平台。
商品房预售须取得《商品房预售许可证》,用户在购房时需慎重查验开发商的证件信息。本页面所提到房屋面积如无特别标示,均指建筑面积。如有新闻稿件和图片作品的内容、版权以及其它问题的,请及时通知我们,以采取适当措施。

中铁·岭南府三期

五岭板块
7680元/平米
销售电话:4006607358,0105
楼盘地址:香雪路和南岭大道交汇处
获取底价:专属顾问,享内部购房底价

团购报名

姓名:

手机:

户型:

面积:

楼盘:

获取底价

[中铁·岭南府三期]最新均价为7680元/㎡,请持续关注

您可以提交团购报名,享内部购房底价。

网友点评(0

登录后才能评论,去登录